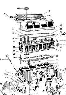
Isabella Engine
Isabella Clutch gearbox
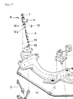
Parts list Isabella Axles
Parts list Isabella Brakes
Parts list Isabella Body